產品中心



漏電動作電流
0.03、0.07、0.1、0.3、0.5、1、1.5、2、2.5、3A可調
動作時間
0.2、0.4、0.6、0.8、1、1.2、1.4、1.6、1.8、2S可調
動作電流精度
80%~100%
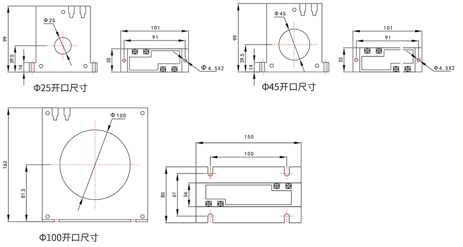
互感器孔徑
25mm,45mm,100mm
控制電壓
AC:220V;DC:12V、24V、48V
安裝方式
35mm導軌條安裝


漏電動作電流
0.03、0.07、0.1、0.3、0.5、1、1.5、2、2.5、3A可調
動作時間
0.2、0.4、0.6、0.8、1、1.2、1.4、1.6、1.8、2S可調
動作電流精度
80%~100%
互感器孔徑
25mm,45mm,100mm
控制電壓
AC:220V;DC:12V、24V、48V
安裝方式
35mm導軌條安裝


| 型號 | 開口尺寸 | 較大額定電流參考值(A) | 額定電壓(V) |
| Y-25 | Φ25 | 0~100 | 690、660、380 |
| Y-45 | Φ45 | 0~200 | |
| Y-100 | Φ100 | 0~630 | |
| 注:特定產品需提前溝通注明 | |||
